双五星
一种带有转矩定向分配功能的双电机耦合驱动桥
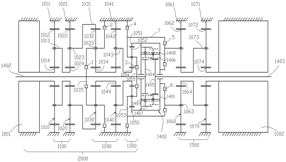
本发明公开了一种带有转矩定向分配功能的双电机耦合驱动桥,包括:主驱动机构;正齿轮差速器;TV控制驱动机构;第一单排行星齿轮系,第一太阳轮可旋转支撑在第一半轴上,第一齿圈与TV控制驱动机构的输出端连接;第二单排行星齿轮系,第二齿圈固定在驱动桥壳体上,第二太阳轮与第一太阳轮固定连接;第三单排行星齿轮系,第三太阳轮与差速器壳体固定连接,第三齿圈与第二行星架固定连接;第一离合器和第二离合器,用于使第一行星架与第一半轴和驱动桥壳体分离或者接合;第三离合器和第四离合器,用于使第三行星架与第一半轴和驱动桥壳体分离或者接合;第五离合器和第六离合器,用于使第六行星架与传力罩和差速器壳体分离或者接合。
吉林大学
授权发明