2026年04月08日 星期三
中国科学院
办公系统
网站地图
新闻中心
联系我们
English
注册
/
登录
热搜词:中科院
技术需求
创新服务
首页
共同体
企业概况
更多 >
为深入贯彻《促进科技成果转化法》,加快长吉图国家科技成果转移转化示范区建设,集聚科技创新资源要素,促进科技成果转移转化,探索吉林科技成果转移转化模式与路径,服务吉林科技企业高质量发展,支撑吉林实现全面振兴、全方位振兴,在吉林省科技厅、长春新区管委会的业务指导下,吉林省科技成果转移转化共同体(以下简称“共同体”)于2019年9月12日正式揭牌启动。
人物志
更多 >
会员单位
更多 >
长春北湖科技园发展有限责任公司
吉林大学
加入我们
企业概况
会员单位
人物志
加入我们
光电联盟
仪器管理
更多 >
企业管理
更多 >
平台展示
企业概况
更多 >
为全面深化吉林省与中国科学院合作,推动中国科学院的科技创新优势与吉林振兴发展对接,中国科学院的创造与吉林制造对接,中国科学院创新创业资源与吉林优质营商环境对接,提升吉林省支柱产业和优势产业的科技竞争力,使战略新兴产业得到跨越式发展,2019年9月12日,中科吉林科技产业创新平台在长春北湖科技园落成。
总经理致辞
更多 >
李冰
|
总经理
吉林省国科创新孵化投资有限公司是中科吉林科技产业创新平台的运营单位,是吉林省科技成果转移转化共同体的副理事长单位以及秘书处单位。以及秘书处单位。 2019 年 6 月 18 日,吉林省国科创新孵化投资有限公司(以下简称“吉林国科创新”)在长春新区成立。吉林国科创新依托中科院科研成果积累、高端人才储备和产业资源优势,秉持“人才聚集、技术引领、创新赋能、产业提升、资本加速”理念,以“集聚-引领-创新”为目标,积极贯彻落实国科控股联动创新纲要,凭借中国科学院优势科技资源和吉林省的特色产业资源,持续探索“政产学研金介用”协同创新机制,通过“创新链、产业链、资本链”三链联动,以“基金+基地”的双轮驱动模式设立运营中科吉林科技产业创新平台,充分发挥科技服务产业的作用,开展企业孵化、人才培养、双创培训、基金投资等专业化、一站式创新业务。
重大活动新闻
更多 >
2018年
《Nature Publishing index》2018全球科研机构排名位列第一(连续7年第一)
2019年
2019年2月21日,签署了《吉林省人民政府中国科学院关于推动吉林省打造新动能实现高质量发展的合作协议》。
企业概况
总经理致辞
重大新闻活动
技术转移
成果展示
更多 >
人血清sST2蛋白的ELISA检测试剂盒
sST2蛋白是一种新型的心血管疾病标志物,可以用来监测心血管疾病进程及预后状况。
利用部分双链线性 DNA 探针检测丙型肝炎病毒 RNA 的新型实时逆转录-聚合酶链反应
该新型实时逆转录-聚合酶链式反应可以覆盖多种亚型HCV病毒RNA的检测,具有广阔的应用前景。 部分双链线性DNA探针提高了检测灵敏度。
技术需求
项目路演
更多 >
100公斤推力等级低成本高性能微型涡喷发动机研制
100公斤推力等级低成本高性能微型涡喷发动机在高空高速靶机、短射程巡航弹、高空察打一体无人机、高空高速战术无人机中得到了广泛的应用。鉴于涡喷发动机的技术先进性及其对国防建设的重要性,美国及欧洲将50公斤以上中小推力涡喷发动机也列为对我国严格限制的关键技术之一。由于技术门槛较高,目前国内在100公斤推力等级上的涡喷发动机还是空白,但需求却非常迫切。
中科院科技成果路演 企业挑选科技成果
专利超市
技术需求
成果展示
项目路演
创新服务
基础服务
更多 >
工商注册
财权代办
人力资源
成长服务
更多 >
政策辅导
商务接洽
知识产权
创业培训
企业创新成长陪伴服务
更多 >
企业诊断
导师辅导
企业管理咨询报告
战略咨询
技术服务
人才交流与培养
金融服务
渠道拓展/品牌提升
基础服务
成长服务
企业创新成长陪伴服务
专家智库
专家展示
更多 >
唐沛
中科院创业投资管理有限公司投资总监
工作单位:吉林省中科创业投资管理有限公司
个人简介:中科院创业投资管理有限公司投资总监,中国母基金行业30位30岁以下杰出投资人(金汇奖)、投资的项目连续两次荣获融资中国中国节能环保产业十佳投资案例(2018年、2019年)。
李海永
深圳市创新投资集团有限公司东北区域负责人
工作单位:深圳市创新投资集团有限公司
个人简介:深圳市创新投资集团有限公司东北区域负责人,获得“2016中国最佳青年投资人”,“2017中国最佳青年投资人”称号。
辅导效果
更多 >
助力轨道客车领域装备国产化及技术改革
“9+6+N”多功能服务模式为初创企业发展打下坚实基础
专家展示
辅导效果
金融投资
基金分类
更多 >
吉林中科天使创业投资基金
吉林中科科技成果转化创业投资基金
吉林中科先导投资基金
投融资需求
更多 >
延吉美教软件开发有限公司
吉林省北国之春农业科技开发有限公司
吉林省北国之春农业科技开发有限公司
线下对接
基金分类
投融资需求
线下对接
资源库
会员中心
相关下载
高新技术企业认定相关材料
技术合同认定登记相关资料
科技成果登记办理流程
吉林省科技发展计划2019年度项目指南
吉林省科技发展计划2021年度项目指南
吉林省科技发展计划2020 年度项目指南
基金申请材料
专利超市
Patent Supermarket
>>
当前位置
-
网站首页
-
专利超市
专利超市
产业分类:
全部
材料化工
高端装备制造
生物医药
新一代信息技术
双五星
专利权人:
全部
长春理工大学
长春工业大学
吉林建筑大学
中国科学院东北地理与农业生态研究所
中国科学院东北地理与农业生态研究所农业技术中心
吉林医药学院
东北电力大学
延边大学
吉林大学
东北师范大学
吉林农业大学
吉林化工大学
长春工程学院
吉林大学第一医院
吉林市农业科学院(吉林市农产品质量监督检验中心)
北华大学
长春中医药大学
中国农业科学院特产研究所
长春大学
吉林工程技术师范学院
吉林省养蜂科学研究所
吉林建筑科技学院
白城师范学院
吉林体育学院
长春光华学院
吉林农业科技学院
吉林工商学院
长春电子科技学院
吉林铁道职业技术大学
吉林省蚕业科学研究院(吉林省农特产品研究院吉林省北冬虫夏草研究中心)
吉林师范大学
吉林省石油化工设计研究院
通化师范学院
吉林省林业科学研究院(吉林省林业生物防治中心站)
犹他大学研究基金会
国网吉林省电力有限公司经济技术研究院
新疆云道数智科技有限公司
吉林省闻盛新材料有限公司
天津大沽化工股份有限公司
国家电网有限公司
国网吉林省电力有限公司松原供电公司
国网吉林省电力有限公司长春供电公司
国网吉林省电力有限公司电力科学研究院
吉林交通职业技术学院
吉林省恒创智能装备有限公司
吉林省凯迪科技有限公司
专利类别:
全部
授权发明
实用新型
外观设计
合作方式:
全部
拟转让
拟许可
拟许可;拟转让
面议
具体面议
作价入股
综合排序
双五星
一种多级热泵干燥系统及其控制方法
本发明公开一种多级热泵干燥系统及其控制方法,涉及热泵干燥技术领域,该系统包括多级热泵循环子系统和干燥介质循环子系统;所述多级热泵循环子系统包括R410a热泵循环子系统、R134a热泵循环子系统、R744热泵循环子系统和热管循环子系统。采用本发明的上述系统的控制方法控制风量调节阀的开启和关闭,可对干燥介质实现干燥箱上下送风、冷凝器前后旁通、蒸发器前后新风等6种工作模式;控制各级压缩机的启停,可实现一级除湿加热干燥模式、二级除湿加热干燥模式、三级除湿加热干燥模式;控制多个变频压缩机的转速,使不同机组蒸发、冷凝温度达到最优匹配关系。解决了单级热泵干燥系统压缩机压比大、效率低的问题,缩短了干燥时间,节约了能耗。
东北电力大学
授权发明
双五星
一种防拉病人背部衣服的起背机构
本发明属于康复护理技术领域,尤其涉及一种防拉病人背部衣服的起背机构,克服了现有护理器械在起背过程中,背板拉病人衣服而造成不适的问题,包括靠背板、联接块、拉压力传感器、电动推杆、倾角传感器、铰链、起坐外框和靠背板导轨副;所述联接块固定在靠背板的下表面;所述拉压力传感器的一端与联接块螺纹联接,另一端与电动推杆联新接;所述倾角传感器固定在起坐外框上;所述起坐外框通过铰链与床体铰接;所述靠背板导轨副的滑块固定在靠背板的下表面;两个所述靠背板导轨副的导轨固定在起坐外框的左右两边框上。
北华大学
授权发明
双五星
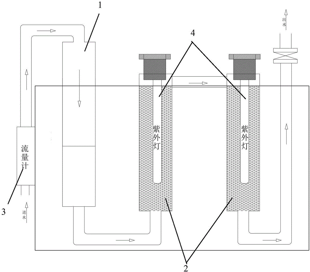
一种有机废水光催化处理装置
本实用新型公开了一种有机废水光催化处理装置,包括过滤系统,所述过滤系统与污水处理池连通;光催化反应系统,所述光催化反应系统的输入端与所述过滤系统的输出端相连接,并且所述光催化反应系统的内部安装有灯源;曝气系统,所述曝气系统与所述光催化反应系统连通;和循环管路;并且所述过滤系统、所述光催化反应系统、所述曝气系统和所述循环管路的运行动力由电动机提供。本实用新型的有机废水光催化处理装置可以将啤酒废水中的有机污染物降低75%,使其出水达到城镇污水处理厂污染物排放标准中的一级A标准。
吉林化工大学
实用新型
双五星
输电线路故障选线与定位装置
输电线路故障选线与定位装置,涉及输电线路工程领域,本实用新型包括:霍尔电流传感器、霍尔电压传感器、过流保护器、过压保护器、AD转换器、FPGA芯片、电源模块、通讯接口芯片、无线通讯模块、外壳、下安装板、第一侧板、上安装板、太阳能电池板、第一外部连接板、第二外部连接板、第二侧板、第一接口、第二接口、电路安装板和输电线路固定机构。本实用新型通过设置霍尔电流传感器、霍尔电压传感器、过流保护器、过压保护器、AD转换器、FPGA芯片、电源模块、通讯接口芯片、无线通讯模块实现输电线路的故障选线与定位,定位精准、快速,操作简便,具有安装方便、安装适应性强的特点。
长春工程学院
实用新型
双五星
一种分布式一体化单通道节点地震仪
本发明属于地震勘探制备领域,尤其涉及一种分布式一体化单通道节点地震仪,包括采集仓、电池仓、检波器仓以及尾椎一次上下连接,通过无缆数据回收座回收,无缆数据回收座安装在回收箱上,每个回收箱安装有多个无缆数据回收座。本发明可以大批量广泛分布仪器,解决了有缆地震仪大道距,大道数的沉重线缆问题,将检波器以及采集部分设计在一起,形成一体化地震仪结构,以及对野外工作环境具有适应性,方便人工作业以及可以快速对地震数据进行数据回收。
吉林大学
授权发明
双五星
多功能取药机
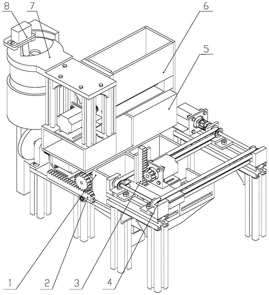
多功能取药机属于取药设备技术领域,目的在于解决现有技术存在的取药功能单一、存储药品种类有限以及不能有效的存储与定量准确取药的问题。本发明包括:支撑体;板状药药盒,和板状药药盒对应的板状药送药机构,通过板状药送药机构将板状药药盒中存储盒中的板状药推送至出药盒;板状药压药机构,通过板状药压药机构将出药盒中的板状药压出;袋装药推送机构,袋装药推送机构至少包括上方推送单元以及下方的底部收集管;袋装药分离机构,通过袋装药分离机构将下落的袋装药药袋分离;丸状药定量出药机构,定量输出药丸;以及丸状药收集装置,通过丸状药收集装置收集丸状药定量出药机构推出的丸状药并输出。
长春理工大学
授权发明
上一页
1
2
...
164
165
166
167
168
...
247
248
下一页