双五星
一种车用燃料电池水热管理系统及其控制方法
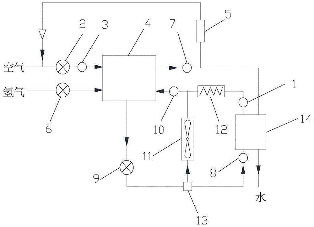
本发明公开了一种车用燃料电池水热管理系统及其控制方法,车用燃料电池水热管理系统包括并联在燃料电池上的小循环加热系统,大循环冷却系统、湿度调节系统以及控制系统,燃料电池上分别设有进气管路和排气管路,进气管路上分别设有氢气泵和空气泵,控制系统包括ECU,各温度传感器和各湿度传感器的信号线分别并联在ECU的信号输入端,水泵、三通阀、比例阀、加热器和风扇的电控线分别并联在ECU的信号输出端。本发明,可根据燃料电池不同工况进行加热和加湿的水热管理系统,利用尾气中的热量和水分,通过热交换器对冷却液进行加热,并通过比例阀将尾气中的部分水蒸气引回到阴极对空气进行加湿。
吉林大学
授权发明